產品介紹
1.碳化鉻耐磨鋼板主要化學成分:碳4-5%,鉻25-40%。
2.微觀硬度1200-1750HV (碳化鉻硬質顆粒為六角柱形,顆粒大,數量多,分布均勻)基板與耐磨層為冶金結合,抗拉強度最高為350MPa。
3.稀釋率:1mm左右,耐磨層表面無氣孔,絲狀應力縫。耐磨層的致密度較高,硬度梯度小,基板與耐磨層的結合部硬度為700HV。15+15mm的最小內彎直徑為600mm。
4.整板平整度±2mm/1.5m。工作溫度:最高600℃ 厚度誤差:±10%
5.標準規格:3mm+3mm至15mm+15mm。 尺寸:3000*1400mm,最長7000mm

圖(1)碳化鉻耐磨鋼板用于溜槽
碳化鉻耐磨鋼板
材質: 低碳鋼基材+碳化鉻耐磨合金層
常用規格: 5+3,6+4,6+6,8+3,8+4,8+5,8+6,8+8,10+6,10+10(也可以根據用戶要求制作
板幅規格: 1500X3000mm(也可以根據用戶要求制作)
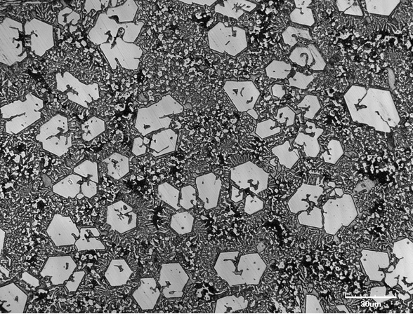
耐磨層合金成分: C:5.0%,Cr:27—30%,馬氏體基體+大量Cr7C3型碳化物達60%以上


圖(2)碳化鉻晶相分圖
硬度: 合金層宏觀硬度HRC57—65,碳化物硬度HV1400—1800
耐磨性: 是低碳鋼的20—25倍,不銹鋼、高錳鋼的8—12倍,是一般高碳高鉻耐磨鋼板的1.5倍以上
耐高溫性: 普通型〈600℃;高溫型〈1000℃
耐沖擊性: 耐磨合金層與基材完全冶金結合,抗強烈沖擊,不必擔心脫落
可加工性: 可焊接、切割、卷曲、打孔
可連接性:
1.焊接,可以通過基體層鋼板的焊接,拼焊成各種結構件或零部件
2.機械連接,采用等離子切割槍在耐磨復合鋼板上打孔,用螺栓固定在被保護的設備上,方便維修更換。
更多產品









